Tời xây dựng Stronger 800-1600kg là thương hiệu tời điện độc quyền của công ty TNHH Thiết bị công nghiệp M5s. Sản phẩm phải vừa đảm bảo chất lượng, vừa bền bỉ mà giá thành lại phải cực kỳ cạnh. Đáp ứng nhu cầu và mong muốn của khách hàng về một sản phẩm cao cấp, uy tín.
Sản phẩm máy tời kéo mặt đất Stronger 800-1600kg vừa được sản xuất theo tiêu chuẩn an toàn nghiêm ngặt, đảm bảo đến tay người tiêu dùng là sản phẩm chất lượng nhất; vừa là sản phẩm có giá thành cạnh tranh nhất trên thị trường vì thương hiệu độc quyền, sản xuất, nhập khẩu và phân phối trực tiếp, không qua trung gian.
Hình giấy chứng nhận hợp quy của tời điện Stronger 800-1600kg do công ty kiểm định Vinacontrol cấp cho Thiết bị M5s
1. Đặc điểm của tời kéo mặt đất Stronger 800-1600kg trong xây dựng
Tời xây dựng 800-1600kg Stronger có vỏ ngoài cao cấp chịu va đập tốt, có thể làm việc trong mọi điều kiện môi trường, không kén không gian nhỏ hẹp. Dây cáp cao cấp, đường kính 8mm chắc chắn, được quấn gọn gàng quanh tang cuốn cáp.
Hình ứng dụng tời điện 800-1600kg Stronger để làm thang nâng hàng
Tời nâng hàng 1600kg Stronger có tốc độ nâng hạ cực kỳ nhanh chóng, có thể lên đến 14m/phút/cáp đơn, chiều cao nâng hạ tối đa là 30m với công suất hoạt động là 2900W. Tời kéo Stronger 800kg-1600kg kích thước nhỏ gọn, cực kỳ thích hợp cho khách hàng có nhu cầu sử dụng trong lĩnh vực xây dựng, nhất là đối với các công trình cao tầng.
Tời than xây dựng Stronger 800-1600kg có thiết kế máy thông minh, trang bị móc treo cáp đôi đi kèm giúp việc lắp đặt dễ dàng và thuận tiện hơn. Bên cạnh đó, tời điện xây dựng 1600kg Stronger được điều khiển bằng thiết bị điều khiển cầm tay nhựa cao cấp, có cấu tạo đơn giản với hai nút nhấn lên-xuống, tương ứng kéo-thả hàng hóa, giúp điều khiển nâng hạ một cách nhanh chóng và an toàn.
Tời xây dựng Stronger có thiết kế đặc biệt cao cấp, động cơ máy hoạt động với công suất 2900W, đảm bảo kéo đủ tải 100% Load. Máy hoạt động rất êm và bền bỉ, đạt hiệu quả công việc cao, nhanh chóng và an toàn.
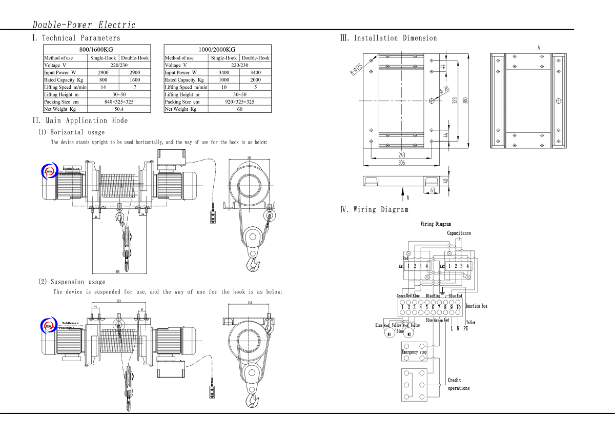
2. Thông số kỹ thuật của máy tời kéo 800kg - 1600kg Stronger
- Mã sản phẩm: 800/1600kg
 - Tải trọng nâng hạ: 800-1600kg
 - Tốc độ nâng hạ: 14m/phút/800kg, 7m/phút/1600kg
 - Chiều cao nâng hạ: 30m/cáp đơn, 15m/cáp đôi
 - Đường kính cáp: 8mm
 - Công suất máy: 2900W
 - Nguồn điện: 220V - 380V
 - Trọng lượng máy: 50,4kg
 
Qúy khách hàng có nhu cầu tham khảo các loại máy tời xây dựng cao cấp thương hiệu Stronger, vui lòng liên hệ với chúng tôi để được hỗ trợ.
Hotline 0943699279 – 0944010055
Youtube: https://www.youtube.com/c/ThietbiM5s
Facebook: https://www.facebook.com/ThietbiM5S
Công ty TNHH Thiết bị công nghiệp M5s chúng tôi cam kết cung cấp tời xây dựng chất lượng nhất với giá tốt nhất!










                                    
                                    
                                    
                                    
                                    
                                    
Xem thêm